
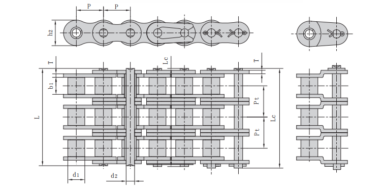
| 鏈號 | 節距 | 滾子直徑 | 內節內寬 | 銷軸直徑 | 銷軸長度 | 內鏈板高度 | 鏈板厚度 | 排距 | 抗拉強度 | 平均抗拉強度 | 每米長重 | |
| P |
d? max |
b? min |
d? max |
L max |
Lc max |
h? max |
T max |
Pt |
Q min |
Qo | q | |
| mm | mm | mm | mm | mm | mm | mm | mm | mm | kN/Ibf | kN | kg/m | |
| 48B-3 | 76.200 | 48.26 | 45.72 | 29.24 | 281.6 | 289.4 | 63.80 | 12.00/10.00 | 91.21 | 1500.0/340909 | 1710.0 | 75.00 |
聯系人:
手 機:
電 話:
郵 箱:
公 司:
地 址: